Состоит из сварного замкнутого профиля прямоугольного сечения-лонжеронов и связей из чугуна.
Вес, кг: 540,500
Количество на один трактор: 1 шт.

Задние полурамы 700А.28.02.000-1 нашего предприятия заслуженно пользуются спросом у крестьянско-фермерских хозяйств, интенсивно эксплуатирующих тракторы. Уже в течение многих лет мы осуществляем поставку как новых, так и восстановленных механических агрегатов для этой спецтехники. Нашими постоянными клиентами являются и ряд частных и государственных учреждений, доверяющих обслуживание собственной техники высококвалифицированным специалистам.
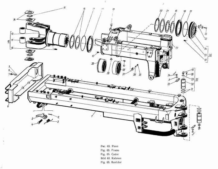
Схема в сборе полурамы задней 700А.28.02.000-1. Устанавливается в тракторную технику модели (серии К-701/700).
Конструктивно узел состоит из замкнутого прямоугольного элемента, двух лонжеронов и чугунных связующих. Замкнутый прямоугольный элемент формируется из стального профиля. Связующие размещаются спереди и сзади полурамы. Для соединения передней связи с лонжеронами в ее конструкции имеются 2 выступа. Она изготавливается из чугунного сплава методом литья и имеет в центральной части полость для установки трубы шарнира.
На всю поставляемую продукцию предоставляется гарантия, срок которой составляет 1 год или 2000 моточасов. Если до его истечения в работе полурамы задней 700А.28.02.000-1 были выявлены какие-либо неисправности, то мы производим ее замену новым изделием.
Сборка всех предлагаемых узлов осуществляется из новых деталей и материалов. Все сборочно-ремонтные работы проводятся под контролем профессиональных механиков, обладающих бесценным практическим опытом, превышающим два десятилетия. Готовые полурамы упаковываются и отправляются транспортной компанией к покупателю, чтобы функционировать в составе тракторов К-700/701.
Для наших клиентов мы предоставляем несколько вариантов оплаты
Габаритные размеры
длина: 1.86 м.
ширина: 1.2 м.
высота: 0.8 м.
вес: 540 кг.
Отгрузка со склада
Страховка включена в стоимость доставки.
Доставка осуществляется в любой регион России, Казахстана и стран СНГ.
На все узлы действует гарантийный срок 1 год или 2000 моточасов, в течении всего гарантийного срока условия гарантии позволяют незамедлительно обменять узел при любой неисправности на новый.