Наша компания профессионально занимается ремонтом и обслуживанием узлов и тракторов «Кировец», Т-150. Специалисты нашей компании проводят тщательную дефектовку и работы по его восстановлению и замене функциональных составляющих на новые. В работе используются только качественные запасные части и расходные материалы, соответствующие условиям установки и эксплуатации. Данный вид деятельности полностью сертифицирован нашим предприятием, на все произведенные работы действует гарантия 6 месяцев.
Пройденные проверку коробки передач окрашиваются по ТУ и упаковываются

Упаковка производится следующим образом, узел устанавливается на сварную металлическую подставку, а затем дополнительно делается жесткая деревянная обрешетка. Упаковка предоставляется компанией ТС+ бесплатно.
длина: 1 м.
ширина: 0,7 м.
высота: 1,2 м. (с учетом рычагов)
масса: 1024 кг.
масса с учетом упаковки: 1100 кг.

Отгрузка транспортной компанией в течение 1 дня.
Страховка включена в стоимость доставки.
Доставка осуществляется в любой регион России, Казахстана и СНГ.
• Транспортной компанией (авто, авиа и ЖД-транспортом)
• Собственным транспортом ООО «СУРА»
• Самовывозом со склада компании ООО «СУРА» в г. Чебоксары




Транспортной компанией – Автотранспортом
Мы доставляем узлы нашим покупателям по всей России и странам СНГ сотрудничая с лидерами рынка в сфере логистики и транспортировке грузов автотранспортом. ПЭК, Деловые Линии, Ратэк. Данный способ наименее затратный и позволяет в умеренные сроки и за умеренную плату доставить Ваш груз в любой уголок стран бывшего СССР.

Авиа транспортировка
Доставка авиатранспортом удобна в случае возникновения форс-мажоров на вашем предприятии. Данный способ позволяет в кратчайшие сроки доставить Ваш груз в большинство регионов России. Данный способ подходит в большей мере для не габаритных грузов.

Железнодорожным транспортом
Перевозка грузов железнодорожным транспортом более экономична в случае когда необходимо транспортировать большие сборные или габаритные грузы. Также для данного способа транспортировки необходимо уточнять возможность получение груза в Вашем регионе.

Собственным автотранспортом ТС+
Для более быстрой доставки и решения неотложных проблем в соседних регионах от офисов нашей компании мы также используем собственный автотранспорт. Преимущество данного вида доставки заключается не только в оперативности но и в том, что доставка в этом случае производится до дверей вашей компании или любого указанного адреса, вам не придется самим забирать груз из транспортной компании.

Самовывоз
Если Ваша компания имеет собственный транспорт вы всегда можете забрать груз сами
на складе нашей компании в г. Набережные Челны






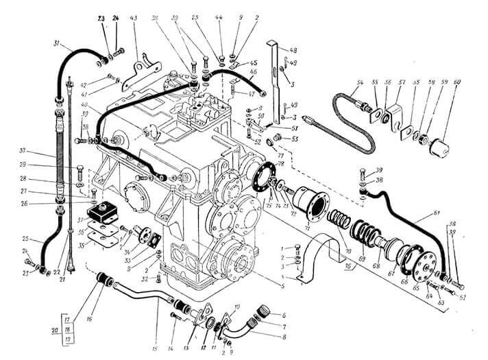
Проверка корпуса – корпус проверяется на наличие сколов трещин и других повреждений. Корпус используется в дальнейшем только если не имеет повреждений.
Очистка корпуса – для очистки корпуса от грязи и старой краски используется два вида обработки: пескоструйный и термический.
Ремонт ведущего вала – вал разбирается и проходит тщательную проверку на износ и повреждения. В обязательном порядке на валу меняются барабаны и диски, при необходимости проводится дополнительная работа по устранению недочетов.
Сборка вала – после сборки проверяются зазоры, затем вал проходит дополнительную проверку на стенде.
Шестерни и подшипники – производится осмотр прочих механизмов редукторной части кпп, осуществляется замена шестерен и подшипников. Не имеющие дефектов и большого износа детали на этом этапе могут быть отремонтированы или заменены согласно износу или остаться.
Замена нажимных дисков – при подготовке меняются нажимные диски кпп.
Шестерни и подшипники – перебирается МПП, меняются все изношенные части.
Раздаточный вал – перебирается раздатка, меняются тяги и втулки.
Меняются: насос, коническая передача, задняя рейка, тормозки, регулируется тепловой зазор и меняются золотники. При необходимости меняется кулиса.
Стандартный гарантийный срок на ремонт и обменные узлы составляет 6 месяцев с момента покупки или ввода в эксплуатацию узла на тракторе, исключением являются случаи когда услуга или узел были куплены в момент проведения акции, тогда гарантийный срок может составлять 1 год, как на новые узлы.
В течении всего гарантийного срока компания «Трактор Сервис+» проводит незамедлительную замену реализуемых узлов, по первому обращению специалисты нашей компании отправят в ваш адрес замену и сделают все возможное для того чтобы вы получили его в своем городе как можно скорее. Все транспортные расходы связанные с заменой неисправных узлов в течении гарантийного срока берет на себя поставщик.
Купил ваш узел у дилера, можно ли обратиться на прямую по гарантии?Что такое расширенная гарантия?

Вы всегда можете обменять свой отработавший узел на новый с доплатой на специальных условиях. Он помогает сократить срок простоя техники по сравнению с ремонтом. На обменный узел так же действует гарантия.

Добрый день уважаемые коллеги!
Компания ООО «СУРА» специализируется на сборке, ремонте и обмене узлов для тракторов «Кировец». В данный момент мы ищем партнеров в различных регионах России и Казахстана для обслуживания тракторов наших клиентов.
Александр Перепелкин
Руководитель отдела сбыта

В марте 2013 года полным ходом готовились к посевной, внезапно наш старый трактор К-701 вышел из строя. После проверки оказалось что неполадки снова касаются коробки передач. К этому моменту я несколько раз уже производил ремонт коробки и принял решение в этот раз купить узел, собраный из новых запчастей.
Обратился в компанию ООО «СУРА» и объяснил, что из-за простоя не могу долго ждать. Ребята привезли КПП уже на следующий день своей машиной, расплатиться с ними я смог на месте. В данный момент все работает исправно и до сих пор серьезных неполадок с трактором больше не было.
Спасибо за оперативность обязательно обратимся снова!
Иван Иванович Драп
Глава КФХ, г. Орел