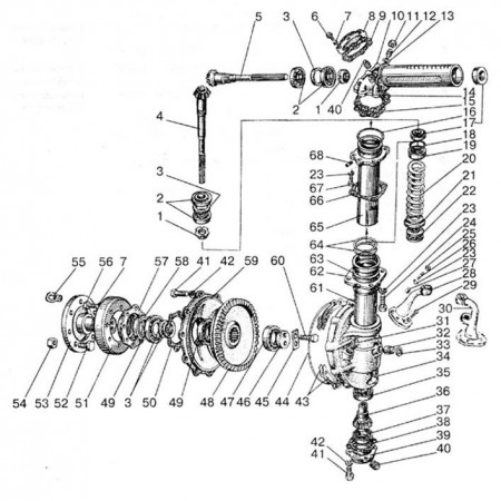
Колесный редуктор передних мостов МТЗ-82, предназначен не обязательно для увеличения крутящего момента, передаваемого соответсвенно от главной передачи к главным колесам, но и для того,чтобы выполнить поворот этих колес.

Сам редуктор, состоит из двух пар верхней и нижней конических шестерен.При таком мосте на тракторе полностью сохраняются все параметры его универсальности –пределы регулировки колеи, места навески агрегатируемых машин радиусы поворота, агротехнический просвет. Имеет 5 или 8 шпилек.
Для наших клиентов мы предоставляем несколько вариантов оплаты
Габаритные размеры
длина: 0.4 м.
ширина: 0.7 м.
высота: 0.9 м.
вес: 20 кг.
Отгрузка со склада
Страховка включена в стоимость доставки.
Доставка осуществляется в любой регион России, Казахстана и стран СНГ.
На все узлы действует гарантийный срок 1 год или 2000 моточасов, в течении всего гарантийного срока условия гарантии позволяют незамедлительно обменять узел при любой неисправности на новый.